Купить мотор-редуктор одноступенчатый пр (аналог nмrv) в каталоге производителя в Новосибирске

Мотор-редуктор одноступенчатый ПР (аналог NМRV)

Возможна поставка только редукторной части без электродвигателя. Уточняйте у менеджеров более подробную информацию.

Одноступенчатый червячный мотор-редуктор ПР4 — это компактное и высокоэффективное устройство, предназначенное для преобразования крутящего момента и передачи движения в механизмах различного назначения.

Является аналогом NMRV, обладая схожими характеристиками, но российского изготовления. 

В нашем каталоге можно купить мотор-редуктор ПР по выгодной цене с доставкой по всей России.

Полный аналог редукторов мировых брендов

  • 95% совместимость без доработок
  • Цена выгоднее на 30-40%
  • Срок производства 3-7 дней
Посмотреть все аналоги
Опросный лист
Мотор-редуктор одноступенчатый ПР (аналог NМRV)
Срочный подбор, расчет и замена старого редуктора. <b>Без простоев и переплат</b>

Срочный подбор, расчет и замена старого редуктора. Без простоев и переплат

<b>Гарантия до 24 месяцев</b> и постпродажное обслуживание редуктора

Гарантия до 24 месяцев и постпродажное обслуживание редуктора

<b>Срок изготовления от 3х дней.</b> Бесплатная доставка до терминала ТК

Срок изготовления от 3х дней. Бесплатная доставка до терминала ТК

Товары
Таблица выбора и технические характеристики
Габаритные и присоединительные размеры
Условные обозначения
3D модель
Мотор-редуктор одноступенчатый ПР (аналог NМRV)

Мотор-редуктор ПР 4150

Мощность двигателя: от 2.2 до 15 кВт
Обороты на выходе n вых: от 14 до 186.7 об/мин
Крутящий момент на вых. валу Тном: от 512 до 1760 Нхм
Передаточное число: от 7.5 до 100 U

Мотор-редуктор ПР 4130

Мощность двигателя: от 0.75 до 7.5 кВт
Обороты на выходе n вых: от 9 до 186.7 об/мин
Крутящий момент на вых. валу Тном: от 277 до 1596 Нхм
Передаточное число: от 7.5 до 100 U

Мотор-редуктор ПР 4110

Мощность двигателя: от 0.55 до 7.5 кВт
Обороты на выходе n вых: от 9 до 186.7 об/мин
Крутящий момент на вых. валу Тном: от 161 до 757 Нхм
Передаточное число: от 7.5 до 100 U

Мотор-редуктор ПР 490

Мощность двигателя: от 0.37 до 4 кВт
Обороты на выходе n вых: от 9 до 373.3 об/мин
Крутящий момент на вых. валу Тном: от 70 до 479 Нхм
Передаточное число: от 7.5 до 100 U

Мотор-редуктор ПР 475

Мощность двигателя: от 0.25 до 4 кВт
Обороты на выходе n вых: от 9 до 373.3 об/мин
Крутящий момент на вых. валу Тном: от 45 до 315 Нхм
Передаточное число: от 7.5 до 100 U

Мотор-редуктор ПР 463

Мощность двигателя: от 0.18 до 1.5 кВт
Обороты на выходе n вых: от 9 до 373.3 об/мин
Крутящий момент на вых. валу Тном: от 35 до 180 Нхм
Передаточное число: от 7.5 до 100 U

Мотор-редуктор ПР 450

Мощность двигателя: от 0.12 до 1.5 кВт
Обороты на выходе n вых: от 11.3 до 373.3 об/мин
Крутящий момент на вых. валу Тном: от 17 до 89 Нхм
Передаточное число: от 7.5 до 100 U

Мотор-редуктор ПР 440

Мощность двигателя: от 0.09 до 0.55 кВт
Обороты на выходе n вых: от 14 до 373.3 об/мин
Крутящий момент на вых. валу Тном: от 8.3 до 53 Нхм
Передаточное число: от 7.5 до 100 U

Мотор-редуктор ПР 430

Мощность двигателя: от 0.06 до 0.25 кВт
Обороты на выходе n вых: от 17.5 до 373.3 об/мин
Крутящий момент на вых. валу Тном: от 2 до 24 Нхм
Передаточное число: от 7.5 до 80 U
Тип
Червячный
Выбрать...
Габарит редуктора
ПР 4110
ПР 4130
ПР 4150
ПР 430
ПР 440
ПР 450
ПР 463
ПР 475
ПР 490
Выбрать...
Мощность двигателя, кВт
От
До
Обороты на выходе n вых, об/мин
От
До
Крутящий момент на вых. валу Тном, Нхм
От
До
Передаточное число, U
От
До
Консольная нагрузка Fном, Н
От
До
Сервис-фактор, Sfном
От
До
Обороты двигателя n вх, об/мин
От
До

Foto_41_3

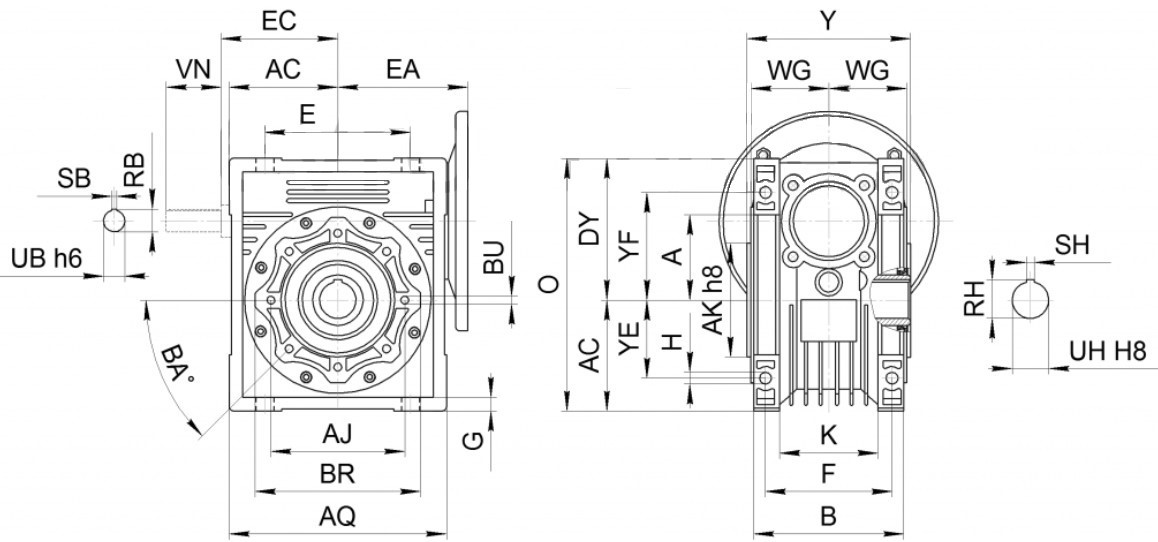
Размер, мм

Габарит редуктора

425

430

440

450

463

475

490

4110

4130

4150

A

25 30 40 50 63 75 90 110 130 150

AC

35 40 50 60 72 86 103 127.5 147.5 170

AJ

55 65 75 85 95 115 130 165 215 215

AK

45 55 60 70 80 95 110 130 180 180

AQ

70 80 100 120 144 172 206 252 292 340

B

42 56 71 85 103 112 130 144 155 185

BA

00

450

450

450

450

450

450

450

450

BR

65 75 87 100 110 140 160 200 250 250

BU

4 отв. М6х11 4 отв. М6х10 4 отв. М8х10 8 отв. М8х14 8 отв. М8х14 8 отв. М10х18 8 отв. М10х18 8 отв. М12х21 8 отв. М12х21

DY

48 57 71,5 84 102 119 135 167,5 187,5 230

E

45 54 70 80 100 120 140 170 200 240

EA

45 55 71 80 95 112,5 130 160 180 210

EC

- 45 53 64 75 90 108 135 155 175

F

34 44 60 70 85 90 100 115 120 145

G

5 5.5 6.5 7 8 10 11 15 15 18

H

6 6.5 7 8.5 8.5 11 13 14 16 18

K

22 32 43 49 67 72 74 - - -

M1

- - - M6 M6 M8 M8 M10 M10 M12

O

83 97 121.5 144 174 205 238 295 335 400

RB

- 10.2 12.5 16 21.5 27 27 31 33 38

RH

12.8 16.3 20.8 28.3 28.3 31.3 38.3 45.3 48.8 53.9

SB

- 3 4 5 6 8 8 8 8 10

SH

4 5 6 8 8 8 10 12 14 14

UB

- 9 11 14 19 24 24 28 30 35

UH

11 14 18 25 25 28 35 42 45 50

VN

- 20 23 30 40 50 50 60 80 80

WG

22.5 29 36.5 43.5 53 57 67 74 81 96

Y

50 63 78 92 112 120 140 155 170 200

YE

22 27 35 40 50 60 70 85 100 120

YF

35.5 44 55 64 80 93 102 125 140 180

Вес (kg)

0.7 1.3 2.3 3.5 6.2 9 13 35 48 84

Присоединительные и габаритные размеры редуктора с цилиндрической предступенью

Foto_41_4

Габарит редуктора

L

L1

PAM

P

M

N

D

aw

D1

ПР 063/440 165 120 63В5 140 115 95 11 40 105
ПР 063/450 185 140 63В5 140 115 95 11 40 105
ПР 063/463 212 167 63В5 140 115 95 11 40 105
ПР 071/450 193 140 71В5 160 130 110 14 48 120
ПР 071/463 220 167 71В5 160 130 110 14 48 120
ПР 071/475 251,5 198,5 71В5 160 130 110 14 48 120
ПР 071/490 285,5 232,5 71В5 160 130 110 14 48 120
ПР 080/475 267,5 198,5 80В5 200 165 130 19 62 160
ПР 080/490 301,5 232,5 80В5 200 165 130 19 62 160
ПР 080/4110 356,5 287,5 80В5 200 165 130 19 62 160
ПР 080/4130 396,5 327,5 80В5 200 165 130 19 62 160
ПР 090/4110 356,5 287,5 90В5 200 165 130 24 62 160
ПР 090/4130 396,5 327,5 90В5 200 165 130 24 62 160

Двухступенчатые редукторы

Foto_41_5

Габарит редуктора

L

ПР 430/440

122

ПР 430/450

122

ПР 430/463

145

ПР 440/475

168

ПР 440/490

185

ПР 450/4110

222,5

ПР 463/4130

252

ПР 463/4150

275

Размеры выходных валов

Foto_41_6

Двусторонний выходной вал

Dh6

B

B1

G1

L

L1

F

B1

T1

ПР 430

14 30 32.5 63 102 128 M6 5 16

ПР 440

18 40 43 78 128 164 M6 6 20.5

ПР 450

25 50 53.5 92 153 199 M10 8 28

ПР 463

25 50 53.5 112 173 219 M10 8 28

ПР 475

28 60 63.5 120 192 247 M10 8 31

ПР 490

35 80 84.5 140 234 309 M12 10 38

ПР4110

42 80 84.5 155 249 324 M16 12 45

ПР4130

45 80 85 170 265 340 M16 14 48.5

ПР4150

50 82 87 200 297 374 M16 14 53.5

Размеры присоединительных фланцев под двигатель IEC

Foto_41_7

Типоразмер редуктора

Фланец под электродвигатель

Диаметр входного отверстия червячного вала, D

Передаточное число

PAM

IEC

P

M

N

7.5

10

15

20

25

30

40

50

60

80

100

ПР430 63В5 140 115 95 11 11 11 11 11 11 11 11      
ПР430 63В14 90 75 60 11 11 11 11 11 11 11 11      
ПР430 56В5 120 100 80 9 9 9 9 9 9 9 9 9 9  
ПР430 56В14 80 65 50 9 9 9 9 9 9 9 9 9 9  
ПР 440 71В5 160 130 110 14 14 14 14 14 14 14        
ПР 440 71В14 105 85 70 14 14 14 14 14 14 14        
ПР 440 63В5 140 115 95 11 11 11 11 11 11 11 11 11 11 11
ПР 440 63В14 90 75 60 11 11 11 11 11 11 11 11 11 11 11
ПР 440 56В5 120 100 80               9 9 9 9
ПР 450 80В5 200 165 130 19 19 19 19 19 19 19        
ПР 450 80В14 120 100 80 19 19 19 19 19 19 19        
ПР 450 71В5 160 130 110 14 14 14 14 14 14 14 14 14 14  
ПР 450 71В14 105 85 70 14 14 14 14 14 14 14 14 14 14  
ПР 450 63В5 140 115 95               11 11 11 11
ПР 463 90В5 200 165 130 22/24 22/24 22/24 22/24 22/24 22/24 22/24        
ПР 463 90В14 140 115 95 22/24 22/24 22/24 22/24 22/24 22/24 22/24        
ПР 463 80В5 200 165 130 19 19 19 19 19 19 19 19 19 19  
ПР 463 80В14 120 100 80 19 19 19 19 19 19 19 19 19 19  
ПР 463 71В5 160 130 110             14 14 14 14 14
ПР 463 71В14 105 85 70             14 14 14 14 14
ПР 475 100/112В5 250 215 180 28 28 28                
ПР 475 110/112В14 160 130 110 28 28 28                
ПР 475 90В5 200 165 130 22/24 22/24 22/24 22/24 22/24 22/24 22/24        
ПР 475 90В14 140 115 95 22/24 22/24 22/24 22/24 22/24 22/24 22/24        
ПР 475 80В5 200 165 130       19 19 19 19 19 19 19 19
ПР 475 80В14 120 100 80       19 19 19 19 19 19 19 19
ПР 475 71В5 160 130 110               14 14 14 14
ПР 490 100/112В5 250 215 180 28 28 28 28 28 28          
ПР 490 110/112В14 160 130 110 28 28 28 28 28 28          
ПР 490 90В5 200 165 130 22/24 22/24 22/24 22/24 22/24 22/24 22/24 22/24 22/24    
ПР 490 90В14 140 115 95 22/24 22/24 22/24 22/24 22/24 22/24 22/24 22/24 22/24    
ПР 490 80В5 200 165 130             19 19 19 19 19
ПР 490 80В14 120 100 80             19 19 19 19 19
ПР4110 132В5 300 265 230 38* 38* 38* 38*              
ПР4110 110/112В5 250 215 180 28 28 28 28 28 28 28 28 28    
ПР4110 90В5 200 165 130         22/24 22/24 22/24 22/24 22/24 22/24 22/24
ПР4110 80В5 200 165 130                   19 19
ПР4130 132В5 300 265 230 38* 38* 38* 38* 38* 38* 38*        
ПР4130 100/112В5 250 215 180         28 28 28 28 28 28 28
ПР4130 90В5 200 165 130                   22/24 22/24
ПР4150 160В5 350 320 250 42 42 42 42 42            
ПР4150 132В5 300 265 230       38 38 38 38 38 38    
ПР4150 100/112В5 250 215 180               28 28 28 28

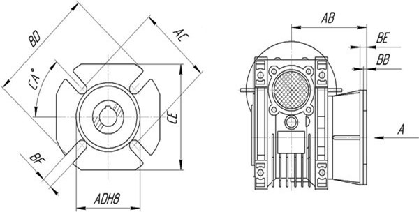
Размеры присоединительного фланца на выходном валу редуктора

Foto_41_8

Размер, мм

Габарит редуктора (размеры для фланцев FA/FB)

430

440

450

463

475

490

4110

4130

4150

AB

54.5 67 / 97 90 / 120 82 / 112 111 / 90 111 / 122 131 / 180 140 155

AC

68 80 / 90 90 / 90 150 / 150 165 / 130 175 / 215 230 / 230 255 255

AD

50 60 / 60 70 / 70 115 / 115 130 / 110 152 / 180 170 / 170 180 180

BB

4 4 5 6 6 6 6 6 6

BD

80 110 / 110 125 / 125 180 / 180 200 / 160 210 / 250 280 / 280 320 320

BE

6 7 9 10 13 13 / 18 15 15 15

BF

4 паза

6.5 мм

4 паза 9 мм 4 паза 11 мм 4 паза 11 мм 4 паза 14 мм 4 паза 14 мм 8 пазов 14 мм 8 пазов 16 мм 8 пазов 16 мм

CA

450

450

450

450

450

450

450

22.50

22.50

CE

70 95 / 95 110 / 110 142 / 142 170 200 260 / 260 290 290

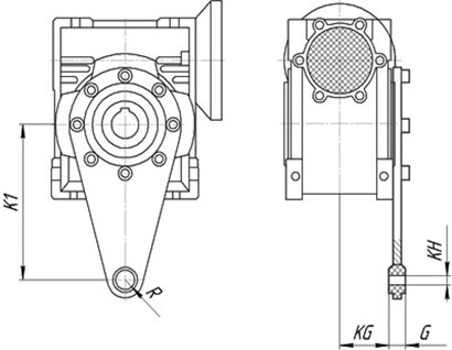
Размеры реактивных тяг

Foto_41_9

K1

G

KG

KH

R

ПР 425

70 14 17.5 8 15

ПР 430

85 14 24 8 15

ПР 440

100 14 31.5 10 18

ПР 450

100 14 38.5 10 18

ПР 463

150 14 49 10 18

ПР 475

200 25 47.5 20 30

ПР 490

200 25 57.5 20 30

ПР4110

250 30 62 25 35

ПР4130

250 30 69 25 35

ПР4150

250 30 84 25 35

Условное обозначение

Мотор-редуктор ПР 463.60.23,3.0,55х1400.B3.SS1.FA1.TA2

ПР

463

60

23,3

0,55х1400

B3

SS1

FA1

TA2

Тип Габаритный размер: межосевое расстояние червячной передачи в мм Передаточное число

Частота вращения выходного вала, мин-1

Мощность и обороты электродвигателя Монтажное исполнение Исполнение выходного вала Исполнение с присоединительным фланцем на выходном валу Исполнение с реактивной тягой

Foto_41

Места установки сапунов в зависимости от монтажного положения и габарита редуктора

1- для ПР 430 монтажное положение не использовать, если нет места под установку сапуна
2 - для ПР 490 установить сапун, если отсутствует возможность установить в варианте ПР 490-4150 при установке бокового фланца FA2 см. таблицу "Объем заливаемого масла"
3 - для ПР 463 установить сапун, если отсутствует возможность установить в варианте ПР 463-4150 при установке бокового фланца FA1 см. таблицу "Объем заливаемого масла"
4 - для ПР 490 установить сапун при использовании бокового фланца FA1 см. таблицу "Объем заливаемого масла"
5 - для ПР 490 установить сапун при использовании входного фланца 80В14, 90В14, 80В5, 90В5
6 - для ПР 430 установить сапун, если отсутствует возможность установить в варианте ПР 430-4150 см. таблицу "Объем заливаемого масла"
7 - для ПР 440, ПР 450 установить сапун, если отсутствует возможность установить в варианте ПР 430-4150 см. таблицу "Объем заливаемого масла"

Foto_41_2

Общее описание и применение

Мотор-редуктор червячный одноступенчатый ПР4 представляет собой механизм, сочетающий электродвигатель и редуктор в одном устройстве.

Он предназначен для уменьшения скорости вращения и увеличения крутящего момента, что делает его незаменимым для промышленных и бытовых задач.

Применяется в таких сферах, как:

  • транспортные и конвейерные системы;
  • металлообрабатывающая и пищевая промышленность;
  • механизмы подъема и перемещения;
  • вентиляционные системы и насосное оборудование.

Если требуется купить мотор-редуктор одноступенчатый ПР4, наши специалисты помогут подобрать оптимальную модель в зависимости от требований вашего производства.

Эксплуатационные характеристики

Одноступенчатые червячные мотор-редукторы ПР4 обладают рядом важных технических параметров:

  • передаточные числа в диапазоне 7,5–100;
  • мощность двигателя — от 0,06 до 15 кВт;
  • высокая механическая прочность благодаря надежному корпусу;
  • плавный ход и низкий уровень шума за счет червячного зацепления;
  • КПД до 90%, что обеспечивает эффективное использование энергии;
  • рабочий диапазон температур от -40°С до +50°С (в зависимости от климатического исполнения).

Такие характеристики делают мотор-редукторы ПР4 идеальными для условий с запыленностью и перепадами температур.

Преимущества использования

Мотор-редукторы ПР4 широко применяются благодаря ряду достоинств:

  • Компактность и экономия пространства при монтаже
  • Высокая износостойкость
    Долговечные материалы обеспечивают надежность работы.
  • Универсальность
    Возможность крепления в разных положениях.
  • Экономичность
    Низкие эксплуатационные затраты по сравнению с другими типами редукторов.
  • Легкость установки
    Простая интеграция в механизмы без сложных монтажных работ.

Поддерживаем складское наличие импортных аналогов для быстрой отправки.

Наше предложение

Компания «Промышленные редукторы» предлагает широкий выбор мотор-редукторов червячных одноступенчатых ПР4 с различными передаточными числами и мощностями.

Мы гарантируем:

  • только качественное и сертифицированное оборудование;
  • профессиональную помощь в подборе моделей;
  • доступные цены и оперативную доставку по всей России.

Чтобы уточнить цену мотор-редуктора ПР4 (аналог NMRV) и оформить заказ, свяжитесь с нами удобным способом или оставьте заявку на сайте.

Ключевые преимущества редукторов серии ПР

Закалённые шестерни - твёрдость 56-62 HRC
Высокочастотная закалка и цементация повышают прочность и износостойкость зубчатых передач.
Идеальная геометрия зацепления - 6-я степень точности
Шлифовка зубьев обеспечивает высокую точность зацепления (6-я степень), снижает шум и вибрации и делает работу редуктора более плавной и стабильной.
Долговечность - 7-10 лет срока службы
Средний срок эксплуатации редукторов серии ПР составляет 7–10 лет 
при правильной эксплуатации.
Инженерная поддержка 
и документация
Предоставляем 3D-модели, подробную техническую документацию и чертежи 
на нашу продукцию - удобно для проектирования, согласований 
и замены оборудования.

Команда экспертов
по приводной технике

Наши менеджеры специализируются на подборе редукторов под ваши задачи. В среднем 4 из 5 технических вопросов вы сможете решить напрямую с персональным менеджером. Если ситуация требует более глубокого анализа - мы оперативно подключаем инженера.

Мы не просто продаём редукторы — нам доверяют, потому что решаем задачи быстро и точно

Быстрый и беcплатный подбор редукторов от 1 часа
Быстрый и беcплатный подбор редукторов от 1 часа
Расчеты делают инженеры с опытом 10+ лет в отрасли.
Доставка точно в срок
Доставка точно в срок
Бесплатно упакуем в усиленную обрешетку
и доставим до терминала ТК.
Гарантия 24 месяцев и полная ответственность за заводской брак
Гарантия 24 месяцев и полная ответственность за заводской брак
Осуществим ремонт и послепродажное обслуживание.

Фото отгрузок

Вопрос-ответ

Какие меры необходимы для увеличения срока службы редуктора?
Для продления срока службы редуктора рекомендуется соблюдать режимы работы, регулярно проводить техническое обслуживание и использовать рекомендованное масло. Наши редукторы поставляются с инструкциями по обслуживанию, чтобы обеспечить надежную и долговечную работу.
Как выбрать редуктор, подходящий для конкретного оборудования?
При выборе редуктора важно учитывать такие параметры, как мощность, передаточное число, тип нагрузки и условия эксплуатации. Наши специалисты помогут вам подобрать оптимальный редуктор для вашего оборудования, учитывая все особенности и требования.

Читайте наши статьи о мотор-редукторах и их применении

Подберём редуктор под вашу задачу
80% технических вопросов решаются сразу, при необходимости быстро подключаем инженера.

Оставьте свои контактные данные и наши специалисты свяжутся с вами в течение 15 минут.
Оформить заявку
Максим Новиков
Менеджер по подбору редукторов с опытом более 5 лет.

Мы используем cookies

Мы используем cookies для улучшения работы сайта и предоставления персонализированного контента. Продолжая использовать наш сайт, вы соглашаетесь на использование cookies. Подробности можно найти в Политике конфиденциальности.